昨天在昨天的文章里面,包括很多的产业界的朋友都在讨论特斯拉Model 3的电气架构还有集成化的形式和传统车的差别非常大,偏向于行业外的朋友都觉得特斯拉领先传统企业1-2代。其实我们仔细可以探讨,
这个感觉是怎么形成的?
实际上面对这个问题,我们从不同的角度来看,这是事实么?
Model S到model X到Model 3的电气架构核心变化到底是什么?
我觉得这个问题,我们可以仔细来讨论一下,因为每个人了解的信息并不充分,特别是特斯拉的技术人员其实很少去谈自己的软件和EE方面的内容,我们也无从深度的了解其内部的工程技术人员的设计理念。所以我觉得这事还是要从各个角度去思考、解读和形成自己独立的看法。
1)主要是OS系统的差异
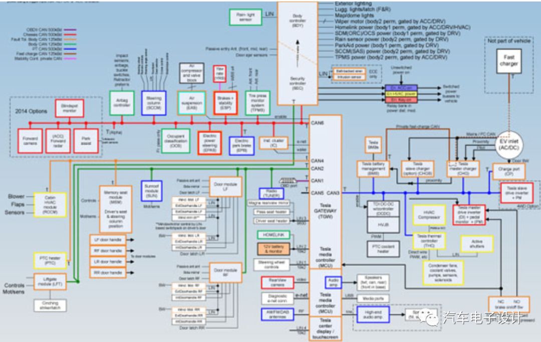
我们看这三个进化的版本,Model S和Model X到Model 3。从网络的架构方面,如果不考虑特斯拉自己开发的车机系统,大量的部件都是根据供应商的情况组合出来的,我们可以看到从Model S到Model X的电子部件的大量简化,合并整合去掉那些通用性的部件,逐步逐步在原有的可能性加大自己开发的放在娱乐系统Linux系统功能权限。
我觉得这里Tesla的EEA层面与传统车企相似的地方,不涉及自己系统核心区,采用了大量的CAN网络;在核心安全件如底盘、被动安全系统,Tier1 不大号沟通的时候,还是依据这些企业的通行的做法来,而和车身、空调等好谈的先谈起来。
长期区别比较大的区别是:
在离安全比较远的地方,通过集成和简化来脱离供应商的束缚,Tier1领进门,然后就介入设计做简化
脱离原有的功能设定,从一开始就是基于虚拟化的系统设计。这里最典型的,还是我们的开关=>ECU=>执行器的设计想法,变成系统界面=>Linux系统=>执行器,彻底的围绕信号来做很多的东西。然后也加入了系统本身的信息收集,并围绕非实时性系统可以在一个更宽广的维度去设计在原有ECU里面不太容易实现的功能
备注:我们考虑硬实时的系统,做个1s、60s的窗口还可以,在按照小时或者天的维度看问题,原有的考虑就不太合适了。我觉得这个领先,是原有的汽车电子的限制所致的。
备注:之前放的图看不清楚,我尽力放大一些的图片
2)可靠性和维修成本的考虑
如果把Model X和Model 3的车身的几个部件来对比,我们也看到这个变化也是映着要弄。在之前BCM的设计和其他车企差异并不大,根据线束图,把整个功能做了一下分类:
车身管理系统继承了蓝牙、低频天线和LIN通信还有CAN通信的完全功能
把内部的灯光还有报警也做进去了
外部的感知传感器,包括温度和雨量传感器
涉及直接调节的处理也在这里完成
到了Model 3我们可以看到功能更加集成化,尽可能的缩减几个核心设计件之外的功能,我们可以看到这似乎是个组合的过程,把很多的东西组合在一起。这么做有几个条件:
这些设计电路模块需要很可靠,否则单个元件出现失效导致的功能性问题,维修成本比较高
测试验证的周期,就比较长,因为涵盖的功能比较多,测试用例还有各种干扰和组合功能下实际的状况比较多
后期就得按照这个集中化的路子走,工程变更的成本并不低,出点改动就得整个来跑一遍
左车身控制器主要涵盖以下方面的功能:前排座椅控制、前排门控制、空调系统、超声传感器和TPMS的接口。
右控制器比左控制器比较大的区别是加入了R7F7015483, 是瑞萨的控制器序列RH850 Series Body Control Module, 3072K bytes + 64K bytes ,这颗芯片和三颗NCV74244个通道的LIN通信控制器,用来把所有的超声传感器的信号进行处理和读取,作为一个传感信号的读取。
我们可以这样理解,类似Model 3 外部的这些变动,对部件的可制造性、EOL下线涵盖的范围还有QRD(Quality、Reliability和Durability)都会使得改变的成本很高。之前有模块一级级累加的方式,是把很多的东西通过人为分割的方式进行处理,也是分担风险的方式。
小结:我觉得很多的东西不是表面上看起来那样一帆风顺的,大众CEO出来的表态还是表明一种态度,短期内在非安全领域肯定要牺牲(成本上升还有QRD的不好看),才能换取长期的转变,所谓表面的先进性,我们意识到了,实际上要过渡过去要很大的阵痛