昨天华人运通的发布会,有一个很奇怪的东东就是好多个门,这其实是从ModelX以后,车企在折腾门系统,想要把进入的方式通过智能化的设计,让车门可以独立电动开阖,可能这块在之前多少年折腾以后,也需要一点新奇感。
在SAE的一篇论文《Development of the Wireless Power Transfer Technology for a Sliding Door》里面,谈及了有关滑移门的供电问题。这里主要解决的问题,是考虑滑动门的运动三维特性,里面有线束需要跟着车门一起在动,通过无线的供电技术,可以通过无线的信号和电力串数,解决物理的电气连接问题。
备注:在车身这样的系统中,在有直接促因的驱动下导入无线的供电和控制,可能比无线BMS这样的更有价值。
目前车上的无线充电,主要是给手机充电用,给车辆充电成本比较高导入比较慢,如果按照分区域的,特别是复杂门系统的无线供电,在类似复杂的滑移门或者更加夸张的门,这种无线的供电和通信可能有价值。
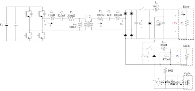
主要的设计思路,以滑移门为例,在滑动门三对滚子/轨道,选择1-2个地方通过传输线圈和接收线圈,实现两个线圈之间的恒定间隙设计。
备注:这个设计还是开脑洞的阶段,从接受线圈的角度来供给门控执行和控制系统。论文作者在里面也是这么描述的:In this research the adopting Zigbee network module was difficult to keep car’s reliability, as it troubled during evaluation of electro-magnetic influence.
通过调整功率来供给功率,最高可以拉高到382W,达到30A左右。
小结:在特斯拉减少线束的努力中,我们也确实观察到围绕车身电子方面,一系列的变化,通过蓝牙等无线的也不少,在电源和信号端,在部分场景下导入无线也是一个发展的方向。