人民网盐城3月27日电 (记者王继亮)响水祈福,逝者安息。27日是江苏省盐城市响水县“3·21”化工爆炸事故遇难者头七之祭。上午7时30分,在该县生态化工园区内,江苏省副省长樊金龙、盐城市委书记戴源、市长曹路宝率事故工作组、参加救援的武警、消防、公安及遇难者家属代表、部分群众代表举行集体悼念活动,向事故遇难者默哀。21日下午14时48分左右,响水生态化工园天嘉宜化工有限公司发生特大爆炸事故,截至目前已致78人遇难。
(文章来源:环球网)
在国务院安委会下发的紧急通知中,有这样一条:
通知要求,深刻吸取教训,全面开展危险化学品安全隐患集中排查整治。要对本地区危化品安全状况进行专题研判,组织对所有涉及硝化反应工艺装置和生产、储存硝化物的企业进行全面排查摸底,立即开展安全专项治理,对所有化工园区进行风险评估,及时消除重大隐患。同时,举一反三,深入开展煤矿、非煤矿山、道路交通、消防、建筑施工等其他行业领域安全隐患排查整治,严防各类事故发生。
针对化工园区风险评估,本岛昨日文章“响水爆炸78人遇难!国务院安委会紧急通知,所有化工园区要进行风险评估。化工园区风险评估怎么做,湖北、河南有一套(送)”,做了详细介绍。国家重点监管的危险化工工艺共有18种,国务院安委会为什么在通知中单独提出“硝化”这一种,一定是有其原因的。下面,小编找到3篇文章,给朋友们介绍一下“硝化”和其它危险化工工艺。
事故回顾:
2017年12月9日2时03分左右,位于江苏省连云港化学工业园区的连云港聚鑫生物科技有限公司发生重大爆炸事故。该事故导致10人死亡、1人受伤。
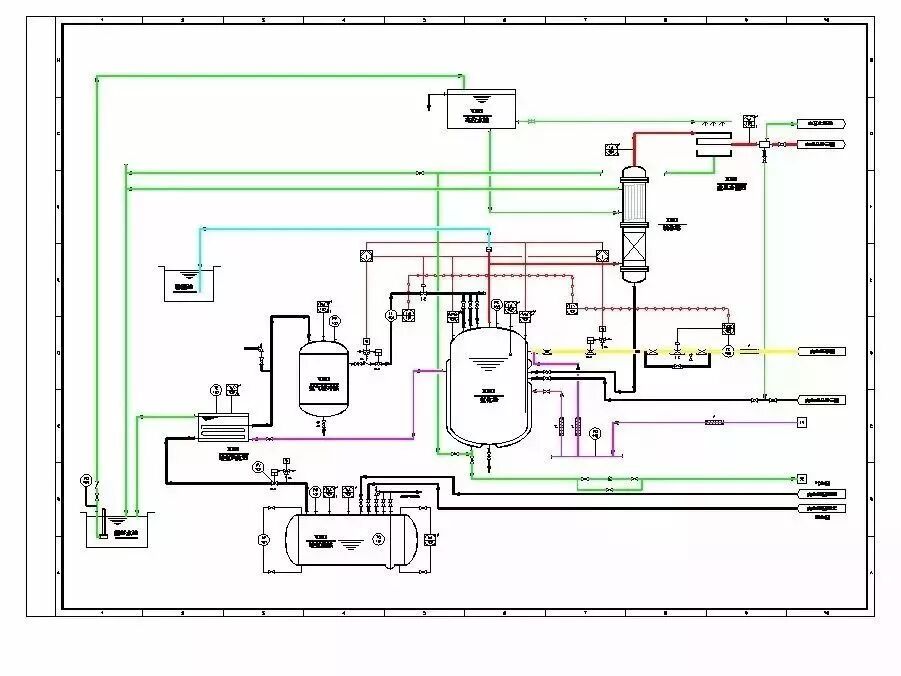
危险化工工艺所涉及化学品,大多具有易燃易爆、反应活性高、稳定性差等危险特点,并且操作过程中普遍存在高温、高压、真空等苛刻工艺条件,火灾、爆炸事故风险高。
危险化工工艺包括:光气及光气化工艺、电解工艺(氯碱)、硝化工艺、合成氨工艺、裂解(裂化)工艺、氟化工艺、加氢工艺、重氮化工艺、氧化工艺、过氧化工艺、胺基化工艺、磺化工艺、聚合工艺、烷基化工艺、新型煤化工工艺、电石生产工艺、偶氮化工艺。
危险化工工艺中的硝化工艺由于其反应速度快,放热量大;反应物料具有燃爆危险性;硝化产物、副产物具有爆炸危险性等特点,硝化工艺事故近年来多发频发,事故后果严重,影响重大,引起社会各界高度关注。
典型的硝化工艺包括:丙三醇与混酸反应制备硝酸甘油;氯苯硝化制备邻硝基氯苯、对硝基氯苯;苯硝化制备硝基苯;甲苯硝化生产三硝基甲苯(TNT);浓硝酸、亚硝酸钠和甲醇制备亚硝酸甲酯;硝酸胍、硝基胍的制备;二苯胺与亚硝酸钠和硫酸水溶液反应制备对亚硝基二苯胺等。
相关事故案例
一、中石油吉林石化分公司双苯厂“11·13”爆炸事故致8死60伤
2005年11月13日,中国石油天然气股份有限公司吉林石化分公司双苯厂硝基苯精馏塔发生爆炸,造成8人死亡,60人受伤,直接经济损失6908万元,并引发松花江水污染事件。国务院事故及事件调查组认定,中石油吉林石化分公司双苯厂“11·13”爆炸事故和松花江水污染事件是一起特大生产安全责任事故和特别重大水污染责任事件。
直接原因:硝基苯精制岗位外操人员违反操作规程,在停止粗硝基苯进料后,未关闭预热器蒸汽阀门,导致预热器内物料气化;恢复硝基苯精制单元生产时,再次违反操作规程,先打开了预热器蒸汽阀门加热,后启动粗硝基苯进料泵进料,引起进入预热器的物料突沸并发生剧烈振动,使预热器及管线的法兰松动、密封失效,空气吸入系统,由于摩擦、静电等原因,导致硝基苯精馏塔发生爆炸,并引发其他装置、设施连续爆炸。
二、天津宜坤精细化工科技开发有限公司“8·7”爆炸事故致10死3伤
2006年8月7日14时57分左右,天津市宜坤精细化工科技开发有限公司硝化车间反应釜发生爆炸,造成10人死亡,3人重伤。
直接原因:天津宜坤精细化工科技开发有限公司硝化车间5号硝化反应釜滴加浓硫酸时速度控制不当,使釜内化学反应热量迅速积聚,又未能及时进行冷却处理,导致5号硝化反应釜发生爆炸。爆炸的冲击力及碎片引起3号、4号、6号反应釜相继爆炸。
三、河南洛染股份有限公司“7·15”爆炸事故致8死8伤
2009年7月15日凌晨2时左右,河南省洛阳市河南洛染股份有限公司发生爆炸事故,爆炸冲击波将部分厂房夷为平地,并形成一直径约20米的爆坑。爆炸引发附近储罐起火,工厂全部房屋损毁严重,靠近工厂约1公里范围内的居民住宅玻璃被爆炸冲击波震碎。事故造成8人死亡,8人受伤。直接经济损失约1883万元。
直接原因:氯苯计量槽挥发出的氯苯蒸气,遇氯苯计量槽旁边电线部位火源,引发氯苯蒸气爆燃,氯苯计量槽被引燃,随后发生爆炸,引发水洗釜内成品2,4-二硝基氯苯殉爆,产生第一次大的爆炸;继而引发硝化釜内2,4-二硝基氯苯发生殉爆,产生第二次大的爆炸。
四、东营市山东滨源“8·31”重大爆炸事故致13死25伤
2015年8月31日23时18分,山东滨源化学有限公司新建年产2万吨改性型胶粘新材料联产项目二胺车间混二硝基苯装置在投料试车过程中发生重大爆炸事故,造成13人死亡,25人受伤,直接经济损失4326万元。
直接原因:车间负责人违章指挥,安排操作人员违规向地面排放硝化再分离器内含有混二硝基苯的物料,混二硝基苯在硫酸、硝酸以及硝酸分解出的二氧化氮等强氧化剂存在的条件下,自高处排向一楼水泥地面,在冲击力作用下起火燃烧,火焰炙烤附近的硝化机、预洗机等设备,使其中含有二硝基苯的物料温度升高,引发爆炸。
据央广网报道,19名遇难者中有17名是宜宾恒达科技有限公司的员工,其余2人是附近居民和外来技术人员。
2018年7月12日18时30分左右,位于四川省宜宾市江安县阳春镇工业园的恒达科技有限公司发生一起爆燃事故,事故已造成19人死亡,12人受伤。
宜宾恒达科技有限公司资料显示,该公司占地25亩,总投资5000万元,主要生产化学用品5-硝基间苯二甲酸、2-(3-氯磺酰基-4-氯苯甲酰)苯甲酸,投产后将形成年产5-硝基间苯二甲酸2000吨和2-(3-氯磺酰基-4-氯苯甲酰)苯甲酸300吨的生产能力。
据应急管理部办公厅通知,7月17日(今日)将在四川省宜宾市召开四川宜宾恒达科技有限公司“7•12”重大爆燃事故现场会,会议将通报“7•12”事故有关情况,实地查看现场,剖析暴露出的问题,进行警示教育,深入推动危险化学品安全综合治理,研究部署防范遏制危险化学品重特大事故工作措施。
小编在整理对比历史上化工领域事故时,发现精细、医药化工发生事故占比最大。根本原因在于精细化工工艺变更随意,控制措施简单,规模小,工艺自控水平低,现场操作人员多,部分企业对反应因安全风险认识不足,对工艺控制要点不掌握或认识不科学,容易因反应失控导致火灾、爆炸、中毒事故,造成群死群伤。主要原因在下面是中国化学品安全协会针对上述事故搜集到历史上化工领域有关于硝基类化合物而发生的安全生产事故。
江苏聚鑫生物科技有限公司“12•9”爆炸事故
2017年12月9日2时,连云港聚鑫生物科技有限公司发生重大爆炸事故,事故造成10人死亡、1人受伤。事故直接原因为:尾气处理系统的氮氧化物(夹带硫酸)串入1#保温釜,与釜内加入的间硝基氯苯、间二氯苯、124-三氯苯、135-三氯苯和硫酸根离子等回收残液形成混酸,在绝热高温下,与釜内物料发生化学反应,持续放热升温,并释放氮氧化物气体(冒黄烟),使用压缩空气压料时,高温物料与空气接触,反应加剧(超量程),紧急卸压放空时,遇静电火花燃烧,釜内压力骤升,物料大量喷出,与釜外空气形成爆炸性混合物,遇燃烧火源发生爆炸。
江西省九江市之江化工公司“7•2”爆炸事故
2017年7月2日17时,江西省九江市彭泽县矶山工业园区之江化工公司一高压反应釜发生爆炸,事故造成3人死亡,3人受伤。事故直接原因为:该企业涉及胺化反应,反应物料具有燃爆危险性,事故发生时冷却失效,且安全联锁装置被企业违规停用,大量反应热无法通过冷却介质移除,体系温度不断升高;反应产物对硝基苯胺在高温下易发生分解,导致体系温度、压力极速升高造成爆炸。
内蒙古阿拉善盟立信化工有限公司“2•21”爆炸事故
2017年2月21日9时20分左右,内蒙古阿拉善盟立信化工有限公司对硝基苯胺车间发生反应釜爆炸事故,造成2人遇难,4人受伤。经调查事故原因是:事故企业在应急电源不完备的情况下,于2月17日擅自复产,2月20日由于大雪天气,企业所在工业园区全面停电,企业未能按照规定启动应急电源,致使对硝基苯胺车间反应釜无法冷却降温,其中一个反应釜超温超压发生爆炸。
山东滨源化学有限公司“8·31”爆炸事故
2015年8月31日23时18分,山东滨源化学有限公司(以下简称“滨源公司”)新建年产2万吨改性型胶粘新材料联产项目二胺车间混二硝基苯装置在投料试车过程中发生重大爆炸事故,造成13人死亡,25人受伤,直接经济损失4326万元。
河北克尔化工有限公司发生重大爆炸事故
2012年2月28日9时4分,河北克尔化工有限公司发生重大爆炸事故,造成25人死亡、4人失踪、46人受伤,直接经济损失4459万元。发生事故的一车间共有8台反应釜,自北向南单排布置,依次为1至8号。事发当日,1至5号反应釜投用,6至8号反应釜停用。2月28日8时40分左右,1号反应釜底部保温放料球阀的伴热导热油软管连接处发生泄漏自燃着火,当班工人使用灭火器紧急扑灭火情。其后20多分钟内,又发生三至四次同样火情,均被当班工人扑灭。9时4分许,1号反应釜突然爆炸,爆炸所产生的高强度冲击波以及高温、高速飞行的金属碎片瞬间引爆堆放在1号反应釜附近的硝酸胍,引起次生爆炸。事故发生后,一车间被全部炸毁,北侧地面被炸成一东西长14.70米,南北长13.50米的椭圆形爆坑,爆坑中心深度3.67米。8台反应釜中,两台被炸碎,三台被炸成两截或大片,三台反应釜完整。一车间西侧的二车间框架主体结构损毁严重,设备、管道严重受损;东侧动力站西墙被摧垮,控制间控制盘损毁严重;北侧围墙被推倒;南侧六车间北侧墙体受损;整个厂区玻璃多被震碎。经计算,事故爆炸当量相当于6.05吨TNT。
山东淄博市宝源化工股份有限公司“5•28”爆炸事故
2011年5月28日,山东省淄博市宝源化工股份有限公司发生爆炸事故,造成3人死亡,8人受伤,直接经济损失约450万元。事故的直接原因是:该公司硝基甲烷车间精馏工段粗品精馏过程中,在蒸馏罐中投入原料时,未加入低沸点物,且蒸馏时间过长,精馏罐处于低液位状态,在罐内壁形成较多固体残留物。在精馏罐持续加热条件下,精馏罐壁面固体残留物发生热分解而爆炸,爆炸引发罐内气体和残留液体整体爆轰。
河南洛阳洛染股份有限公司“7•15”爆炸事故
2009年7月15日,河南省洛染股份有限公司一车间发生爆炸事故,造成8人死亡,8人受伤。事故的直接原因是中和萃取作业场所氯苯计量槽挥发出的氯苯蒸气,遇旁边因老化短路的动力线部位火源,引发氯苯蒸气爆燃,氯苯计量槽被引燃,随后发生爆炸,致使水洗釜内成品2,4-二硝基氯苯发生第一次爆炸,继而引发硝化釜内2,4-二硝基氯苯发生第二次爆炸。
中国化工集团公司沧州大化TDI有限责任公司“5•11”爆炸事故
2007年5月11日,中国化工集团公司沧州大化TDI有限责任公司TDI车间硝化装置发生爆炸事故,造成5人死亡,80人受伤,其中14人重伤,厂区内供电系统严重损坏,附近村庄几千名群众疏散转移。事故的直接原因是:TDI车间一硝化系统在处理系统异常时,酸置换操作使系统硝酸过量,甲苯投料后,导致一硝化系统发生过硝化反应,生成本应在二硝化系统生成的二硝基甲苯和不应产生的三硝基甲苯(TNT)。因一硝化静态分离器内无降温功能,过硝化反应放出大量的热无法移出,静态分离器温度升高后,失去正常的分离作用,有机相和无机相发生混料。混料流入一硝基甲苯储槽和废酸储罐,并在此继续反应,致使一硝化静态分离器和一硝基甲苯储槽温度快速上升,硝化物在高温下发生爆炸, 并引发甲苯储罐起火爆炸。
江苏射阳盐城氟源化工公司临海分公司“7•28”氯化塔爆炸事故
2006年7月28日,江苏省盐城市射阳县盐城氟源化工有限公司临海分公司1号厂房氯化反应塔发生爆炸,造成22人死亡,3人重伤,26人轻伤。事故的直接原因是在氯化反应塔冷凝器无冷却水、塔顶没有产品流出的情况下没有立即停车,而是错误地继续加热升温,使物料(2,4-二硝基氟苯)长时间处于高温状态,最终导致其分解爆炸。
中国石油吉化双苯厂“11•13”爆炸事故
2005年11月13日,中国石油吉化分公司双苯厂发生爆炸事故,造成8人死亡,60人受伤,其中1人重伤,经济损失6908万元。事故的直接原因是苯胺二车间硝基苯精制岗位操作人员违反操作规程,在停止粗硝基苯进料后,未关闭预热器蒸汽阀门,导致预热器内物料气化。恢复硝基苯精制单元生产时,再次违反操作规程,先打开了预热器蒸汽阀门加热,后启动粗硝基苯进料泵进料,引起进入预热器的物料突沸,产生剧烈振动,使预热器及管线的法兰失效,空气吸入系统,因摩擦静电,导致精馏塔发生爆炸,并引发其它装置、设施连续爆炸。
江苏江阴市松桥化工厂“5•18”重大火灾伤亡事故
1995车5月18日,江苏省江阴市松桥化工厂在生产对硝基苯甲酸过程中发生爆燃火灾事故,造成4人死亡,3人重伤,直接经济损失10.6万元。事故发生前,发现氧化釜搅拌器转动轴密封填料处有泄漏,生产副厂长指挥工人用扳手对螺栓进行紧固,但并未成功,却导致泄漏更加严重,釜内物料(其成分主要是醋酸) 从泄漏处大量喷出,与空气形成爆炸性混合气体,遇到金属撞击火花发生爆燃,形成大火。
天津大华化工厂“6•26”化工原料爆炸事故
1996年6月26日,天津津西大华化工厂发生爆炸事故,造成19人死亡,14人受伤,直接经济损失120多万元。事发前几日持续高温,厂房房顶为石棉瓦,隔热性差,高温促进了氧化剂的燃烧过程。氧化剂氯酸钠和有机物发生氧化反应放热,热量又加速了其氧化反应,该循环最终导致有机物和可燃物燃烧。救火过程中泼向强氧化剂(NaClO3)的酸性水,加速了氧化剂的氧化分解过程,产生大量氯酸。氯酸及NaClO3混合物爆炸产生的高温高压气体引起了2,4-二硝基苯胺的爆炸。
常熟市阳桥化工厂“3•10”硝化反应锅爆炸事故
1992年3月10日,江苏省常熟市阳桥化工厂发生硝化反应锅爆炸事故,造成8人死亡,7人受伤,直接经济损失84万余元。事故的直接原因是:该公司2#反应锅内留存有一定量的硝基苯、混酸及一定量的反应生成物间二硝基苯,因搅拌不充分,锅内温度急剧升高并引起爆炸。
河北沧州市染料化工厂“1•13”磺化罐爆炸事故
1989年1月13日,河北省沧州市染料化工厂间氨基苯磺酸钠车间的磺化罐发生爆炸,造成3人死亡,7人受伤(其中4人重伤)。事故的直接原因是硝基苯通过内漏的阀门漏入磺化罐,而处于磺化后保温期的间硝基苯磺酸中残存有过量的三氧化硫,引起了化学爆炸。
山东招远化工厂“8•14”爆炸事故
1985年8月14日,山东省招远化工厂染料十三车间磺化反应罐发生爆炸,造成3人死亡。事发时,染料十三车间DSD酸工段乙班正进行加硫酸操作,因液位计堵塞不能正常显示数值,采用加加停停的方式,致使加酸速度过快,且搅拌不充分,导致罐内对硝基甲苯与发烟酸局部反应过热,引起爆炸。
1硝化反应定义
硝化是有机化合物分子中引入硝基(-NO2)的反应,最常见的是取代反应。硝化方法可分成直接硝化法、间接硝化法和亚硝化法,分别用于生产硝基化合物、硝胺、硝酸酯和亚硝基化合物等。涉及硝化反应的工艺过程为硝化工艺。
2工艺危险特点
(1)反应速度快,放热量大。大多数硝化反应是在非均相中进行的,反应组分的不均匀分布容易引起局部过热导致危险。尤其在硝化反应开始阶段,停止搅拌或由于搅拌叶片脱落等造成搅拌失效是非常危险的,一旦搅拌再次开动,就会突然引发局部激烈反应,瞬间释放大量的热量,引起爆炸事故;
(2)反应物料具有燃爆危险性;
(3)硝化剂具有强腐蚀性、强氧化性,与油脂、有机化合物(尤其是不饱和有机化合物)接触能引起燃烧或爆炸;
(4)硝化产物、副产物具有爆炸危险性。
3典型工艺
(1)直接硝化法
丙三醇与混酸反应制备硝酸甘油;
氯苯硝化制备邻硝基氯苯、对硝基氯苯;
苯硝化制备硝基苯;
蒽醌硝化制备1-硝基蒽醌;
甲苯硝化生产三硝基甲苯(俗称梯恩梯,TNT);
丙烷等烷烃与硝酸通过气相反应制备硝基烷烃等。
(2)间接硝化法
苯酚采用磺酰基的取代硝化制备苦味酸等。
(3)亚硝化法
2-萘酚与亚硝酸盐反应制备1-亚硝基-2-萘酚;
二苯胺与亚硝酸钠和硫酸水溶液反应制备对亚硝基二苯胺等。
4重点监控工艺参数
硝化反应釜内温度、搅拌速率;硝化剂流量;冷却水流量;pH值;硝化产物中杂质含量;精馏分离系统温度;塔釜杂质含量等。
5安全控制的基本要求
反应釜温度的报警和联锁;自动进料控制和联锁;紧急冷却系统;搅拌的稳定控制和联锁系统;分离系统温度控制与联锁;塔釜杂质监控系统;安全泄放系统等。
6宜采用的控制方式
将硝化反应釜内温度与釜内搅拌、硝化剂流量、硝化反应釜夹套冷却水进水阀形成联锁关系,在硝化反应釜处设立紧急停车系统,当硝化反应釜内温度超标或搅拌系统发生故障,能自动报警并自动停止加料。分离系统温度与加热、冷却形成联锁,温度超标时,能停止加热并紧急冷却。
7附件:硝化工艺本质安全提升参考标准
(一)建立硝化工艺安全信息档案,建立完善工艺各环节热力学研究数据库,特别是放热速度和放热量等热特性数据,筛选反应最佳控制点,实现工艺本质安全可控。
(二)开展工艺风险辨识,全面收集生产过程涉及的化学物料特性、工艺和设备等方面的安全生产信息,提出工艺控制要点、设备选型要求、操作冗余要求、检查要点等安全要素参数,逐步完善工艺系统改造、工厂设计、生产操作、设备维修保养经验、应急处置措施等安全信息档案。
(三)设立硝化总控制室。
(四)根据工艺风险编制加料规程,放热且需控制加料速度的加料操作实现自动加料并设置安全联锁;计算工艺控制要求最大允许流量,设置固定的不可超调的限流措施;设置滴加物料管道视镜。
(五)严格控制硝化反应温度上下限,禁止温度超限特别是超下限状态,避免物料累积、反应滞后引发的过程失控。硝化釜中设置双温度计,确保温度测量的可靠性。
(六)硝化釜等重要设备设置气相空间温度检测装置,与车间内火灾检测报警系统并网进入DCS等系统,并与紧急停车系统联动,实现物料着火在线检测。硝化釜内有易燃易爆介质时,采用氮气保护。
(七)硝化系统的关键设备,如硝化釜搅拌设置独立的后备电源(EPS),以防网电失压时能保证搅拌正常运行至安全停车;硝化釜设置紧急冷却系统(不间断)以保障冷却水故障、停电等突发状态下能保证硝化装置紧急安全停车。
(八)硝化釜与硝化釜、硝化物贮槽等在发生事故会有相互影响的设施之间,增设应急隔断阀(隔离措施),防止事故扩大化。
(九)硝化工艺应环保要求设置的紧急排放收集系统,应有控制紧急排放物料安全收集存放的措施,以防发生次生事故;根据工艺控制难易和物料危险性,合理设置硝化泄爆方式,减少对周围的建筑和人员的伤害。
(十)硝化车间有其他危险介质或重要设施,设置自动喷淋等工艺降温系统或自动灭火设施,以便发生火灾无法靠近处理时,能进行远程自动控制火势或保证装置处于可控状态。
(十一)硝化车间设置有效的防火防爆隔离措施,减少车间内不同工艺间的相互影响;设置DCS系统防雷隔离措施(包括电源和IO通道的SPD),避免感应雷对自控仪表的影响;车间和配套槽区现场设置声光报警装置和远程视频监控设施,确保临时作业人员接收到异常信息能及时撤退。
(十二)硝化生产装置的开停车,在DCS中实施“一键”操作或顺控程序组完成,减少人工误操作。
(十三)制订工艺变更管制制度和审批流程,并对变更后的工艺做HAZOP分析,对变更后的工艺进行人员培训和考核,工艺参数变更应严格执行工艺变更制度。严禁随意变更生产过程的反应工艺参数。
(十四)严禁停用硝化反应系统温度、进料、冷却、搅拌、紧急排放等报警和自动安全联锁系统;严禁停用可燃及有毒气体报警和联锁系统。系统中必要的安全联锁要件在硝化装置运行时能自动投入,杜绝由于人为摘除联锁或忘记投联锁造成不可预测结果。要定期对硝化自动生产系统、安全联锁系统进行维护和测试,保证DCS和安全联锁系统可靠性。
(十五)严禁岗位人员未经培训合格进行硝化反应操作,定期进行OTS仿真操作培训,提升员工应急情况应对处置能力。
(十六)严禁堵塞硝化车间安全疏散通道;严控硝化车间内临时存放的可燃可爆物料数量,包括在线生产物料数量,降低事故的破坏后果。
(十七)严禁违章操作或无章操作。不断完善安全操作规程和生产岗位操作注意事项,明确操作人员操作范围、对象和控制要求。
(十八)对生产管理和操作人员定期进行硝化反应异常情况的安全处置和紧急疏散演练,明确可以现场处置和必须紧急疏散的不同情形。
(十九)硝化反应产生的废弃物处置前必须进行风险辨识,提出处置时的安全控制要求,并将收集到的安全信息发送给处置方。
(二十)增设过程信息管理系统(Process Information Manager System,简称PIMS),加强对DCS操作人员的违章监管,对硝化装置重要工艺参数异常能自动发报警信息给相关人员。
近年来,我国重大化学品事故频发,危化工艺的学习和了解以及化学品安全数据的普及是提高行业安全管理水平最基本的要素。
对此,小编讲讲重点监管的危险化工工艺都有哪些?