卓芯微ZXW602-PRO是为了解决双口快充输出超高成本问题而诞生的一套高性价比解决方案。在卓芯微ZXW602经典快充方案已兼容的QC3.0, MTK-PE, AFC, FCP等快充协议基础上,又新增了SFCP快充协议及双口快充输出功能,并可根据客户的需求定制产品。ZXW602-PRO的出现刷新了业界两大创新功能:

    1.首创单DC双口快充输出

    为满足多电压点的快充输出功能,卓芯微ZXW602-PRO首创利用单BOOST线路,实现双口快充输出大大减少成本。 

    2.首创VCBC电量查看方式

    ZXW602-PRO上,卓芯微首创VCBC的电量查看方式,不仅可以通过LED的点亮数量来指示电池电量的多少,还可以通过LED亮度的高低来辩识电池电量的状态。

    卓芯微ZXW602-PRO内部集成了充放电管理、保护模块、电量检测、智能控制等全方位功能模块,同时具有过充保护、过放保护、输出短路过流保护、温度保护等系列安全措施。卓芯微ZXW602-PRO专为锂电设计,工作电压支持目前所有锂离子电池,3.0V的截止电压,有效避免电池放电后期发热,降低温度,更加安全。

    卓芯微ZXW602-PRO的超低静态电流,降低损耗,做成充电宝不怕放久了没电了。卓芯微ZXW602-PRO支持双向18W快充,并且支持MTK-PE等多种充电协议,满足目前市场需要。并且卓芯微ZXW602-PRO可以多次烧录固件,满足不同模式不同布局的应用。

    ZXW602-PRO盲插方案优势总结:

    1、高效率低温度

    卓芯微ZXW602-PRO当电池电压3.7V时,输出效率≥92%,输入效率≥85%,输出温度≤80℃,输入温度≤85℃

     

    2、兼容协议多

    卓芯微ZXW602-PRO输出支持QC3.0/2.0MTK PEAPPLE2.4AFCPAFC多协议,通吃市面上主流手机。输入不仅支持QC快充,还可以根据客户需求增加MTK-PE快充

     

    3、输出功率大

    卓芯微ZXW602-PRO支持双向18W快充,5V3A的输出能力满足Type-C手机充电。不虚任何进口快充方案。

     

    4、无需单片机

    卓芯微ZXW602-PRO内建4灯电量指示,9/12V快充输出状态指示。

     

    5、双口盲插快充

    卓芯微ZXW602-PRO两口单独使用均可快充输出,同时使用时则关闭高压快充功能,当其中任一输出口关闭10S后,另一输出口将智能开启快充功能。

     

    6、操作简单

    卓芯微ZXW602-PRO在待机模式下单击按键打开输出,进入放电状态。待机或工作状态下双击按键打开手电筒照明功能。工作状态下长按3S关闭输出,进入待机状态(手电筒无影响)。

     

    7、使用安全

    卓芯微ZXW602-PRO内置多重保护功能,当温感器件检测到其所在位置温度高于设定值时,关闭所有功能,直至温度下降为安全温度方能恢复功能。

     

    8、显示直观

    卓芯微ZXW602-PRO在电源接入时所有LED跑马一圈进入当前电量闪烁,充满全部亮起。负载接入后自动唤醒输出,同时打开LED指示。

     

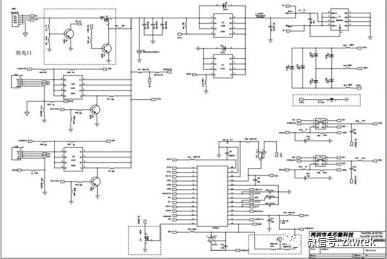
    卓芯微ZXW602-PRO典型应用图

     了解更多信息,请访问卓芯微官网:www.zxwtek.com