展会提醒:2019(冬季)无线充电亚洲展
JW3312是继JW3311、JW3317、JW3302、BMS市场又一力作。其高精度、高可靠性、高性价比、赢得市场一致认可。
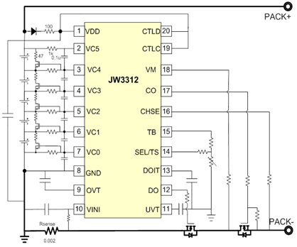
产品特点:
●高精度电池电压检测
过充/过放检测精度:±20mV/±80mV(25℃)
●三级过流保护:
一级过流,二级过流,短路保护
三级放电过流检测精度 :±10mV/±20mV/±40mV(25℃
●电池断线检测
●充电器检测
●电池充放高低温保护
●支持电池均衡
●可级联
产品封装:TSSOP20
应用市场:
●电动工具
●园林工具
●健康休闲
●家庭智能
杰华特以发展世界领先的清洁能源技术为己任,以节能降耗为主导,以智能芯片技术为依托,研发卓越的电池管理系统,期创造集成电路设计的新里程碑,并以跃升为走向世界的微电子公司为永续经营目标。
温馨提示
// 充电头网《编辑推荐》必看文章
03. 涨姿势:E-Marker线缆科普
08. 手机大功率快充普及:小米、华为、OPPO争相推出新技术
// 充电头网《经典方案》推荐
03. 华为大功率移动电源升降压芯片曝光:首发立锜RT7885
05. 行业首创车充内置协议!智融SW3516S通过USB PD3.0认证
06. 英集芯IP2191成为首颗泰尔实验室VOOC认证芯片!
07. 智融获得OPPO授权:发布首颗VOOC认证车充芯片SW3518S
// 充电头网《氮化镓专题》内容精选
03. 2019氮化镓USB PD快充普及元年:8款热门GaN充电器盘点
04. 纳微半导体CES2019展示30W、65W新款GaN充电器
06. 国产GaN氮化镓研发取得突破进展:快充产品12月底试产
07. 拆解报告:RAVPower 45W GaNFast PD充电器RP-PC104
10. 内置氮化镓:ANKER PowerCore Fusion PD超级充拆解
11. 内置GaNFast:AUKEY 27W USB PD充电器深度拆解
// 充电头网《爆款选品》成品精选
01. 爆款选品:19家工厂推出34款iPhone、iPad专用PD快充
02. 2019春季环球资源移动电子展:PD快充大爆发,25家品牌推出百款新品
03. 2019春季环球资源移动电子展:8款氮化镓快充成为亮点
04. 2019春季环球资源移动电子展:23款储能电源成为亮点
05. 2019 USB PD快充100W普及元年:6款大功率充电器、充电宝盘点
// 充电头网《拆解报告》精选专题
07. 18W USB PD充电器方案如何选?看完这22款拆解秒懂
09. 年度盘点:21款内置南芯方案移动电源、充电器、车充拆解汇总
10. 苹果、华为、Anker、SONY都在用,24款采用赛普拉斯快充芯片充电器、移动电源拆解汇总
Send to Author