户外电源是近年来流行的移动电源形式,户外电源内置大容量电池组,可以通过逆变器将电池升压输出220V交流,为电饭锅、电水壶等家用电器供电,方便在没有电力供应的场合供电,满足自驾游及停电的使用需求。
而户外电源通常采用专用的充电器来为内置的锂电池充电,专充专用,对于固定场合使用还好。但对于行程不确定的使用场景,若忘记携带充电器则无法为户外电源充电。除此之外,户外电源内置的逆变器,对手机或笔记本充电时,小功率输出的效率较低,并且输出还要经过逆变升压到适配器降压,经过两次电压转换,整体转换效率更低。
户外电源通常都配备了数个USB-C以及车充接口,可以使用车充和户外电源自带的USB接口为手机充电,但是车充使用麻烦,户外电源很少有接口支持快充,使用体验不尽如人意。能够将移动电源的百瓦快充引入到户外电源,就成为提升户外电源使用体验的关键。
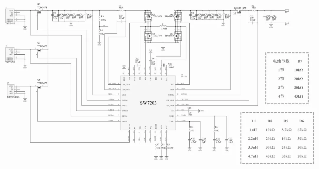
智融SW7203是一颗支持100W双向快充的升降压控制器,采用四管H桥单电感架构,支持1到4串锂电池充放电管理,芯片内部集成NVDC路径管理。搭配内置协议功能的MCU芯片即可实现双向百瓦大功率的USB PD快充解决方案。
使用智融SW7203百瓦快充解决方案代替传统户外电源的5V降压输出,一方面可以提高户外电源USB-C接口的可用性,100W输出功率可满足目前主流笔记本电脑及手机快充需求。另一方面SW7203支持双向快充,可通过USB-C接口使用常见的USB PD快充为户外电源充电,去掉原装电源才能充电的枷锁。100W输入功率,可在数小时内将户外电源完全充满,体验完全不输原装电源。
智融SW7203是一颗单电感四管同步双向升降压充放电控制器,支持1-4节锂电池升降压充放电,支持3-19.2V电池电压范围,支持100W充电及输出,支持4-24V输入电压,支持3-22V输出,输入/输出与电池端电流均可由I2C总线设置,支持反馈和I2C总线调节输出电压,并可根据负载情况切换PSM或PWM工作模式。
智融SW7203支持芯片过热保护、NTC电池温度保护、输入/输出过压保护、电池过压保护、逐周期过流保护、充电输入欠压保护、电池放电欠压保护、放电输出短路/过流保护、总线过压保护、充电超时保护等,最大程度的保证大容量电池组的安全。
此外,芯片内部集成高侧驱动器自举二极管,外围元件更加精简。芯片内部集成5V LDO输出,可为单片机供电。内置驱动器输出电压为5.5V,支持逻辑电平MOS和氮化镓开关管应用。输出电压电流参数均可由I2C总线连接到单片机进行配置,支持1μH,2.2μH,3.3μH和4.7μH四种电感值,可根据MOS管参数,选择200K,300K,400K到1MHz开关频率。
得益于智融SW7203采用同步升降压架构,输出电压可以低于、高于或等于输入电压的特点,适用于快充充电器、车充、电动工具、笔记本电脑、无人机、扫地机器人、对讲机电池等。灵活的升降压架构,支持多串电池应用,可满足不同场合的使用需求。同时还内置完善的保护功能,能最大限度的确保产品的使用安全。
充电头网总结
户外电源以大容量电池组为核心,搭配逆变器,可实现交流电源的替代应用,在野外或者停电时能够提供电力供应。轻便,无噪声,是汽油发电机的有力竞争者。相比发电机还具有更多的输出接口,使用简单的优势。
通过使用智融SW7203在户外电源上,可以大大提升USB-C接口使用率。使用升降压代替降压输出,能够为笔记本和手机提供百瓦大功率快充,而无需使用逆变器,减少电压转换流程,节省电池能量消耗。并且还可以通过升降压电路和USB PD快充,在有电的时候随时为户外电源补充能量,延长使用时间。
相关阅读:
2、智融推出100W升降压车充全套方案,支持多口独立快充输出
3、内置智能功率分配功能,智融升降压65W双口氮化镓快充方案评测
以下热门话题可以点击蓝字了解,也可以在充电头网微信后台回复如下关键词获取专题
「技术专题」
GaN、SiC、LLC、USB PD、 USB PD3.1、QC、VOOC、DFH、Qi、POWER-Z
「拆解汇总」
1800篇拆解、无线充拆解、PD充电器拆解、移动电源拆解、PD车充拆解、充电盒拆解、氮化镓快充拆解、100W充电器拆解、100W充电宝拆解、手机快充拆解、18W PD快充拆解、20W PD快充拆解、30W PD快充拆解、大功率无线充拆解、PD插线板拆解
「优质资源」
充电器工厂、氮化镓快充工厂、充电宝工厂、户外电源工厂、无线充工厂、快充芯片、电源芯片(内置MOS)、升降压芯片(充电宝)、升降压芯片(车充)、多口快充芯片、充电宝协议芯片、无线充芯片、充电盒芯片(有线)、充电盒芯片(无线)、快充电容、快充MOS
「原厂资源」
英集芯、智融、南芯、东科、芯茂微、茂睿芯、硅动力、环球、美思迪赛、富满-云矽、亚成微、诚芯微、必易微、杰华特、华源、沁恒、芯海、天德钰、瑞芯微、恒成微、英诺赛科、纳微、威兆、微硕、能华、诺威、贝特、MDD、沃尔德、丰宾、永铭、科尼盛、洲宇电子、特锐祥、美芯晟、伏达、贝兰德、微源、芯仙方案
「连接器资源」
「快充工厂」
「品牌专区」
苹果、华为、小米、OPPO、vivo、荣耀、三星、mophie、绿联、ANKER、紫米、TRüKE充客、倍思、ZENDURE、爱国者、航嘉
「展会报道」
USB PD亚洲展、无线充亚洲展、果粉嘉年华、香港展、AirFuel无线充电大会、CES展会
商务合作联系:info@chongdiantou.com
发送给作者