写这篇文章目的比较简单,就是让那些对MES系统质量管理感兴趣或者初入该行业的人,对质量管理有一个初步的了解,内容比较浅,还没划走的同学可以继续往下看。MES系统中的质量管理应用于生产过程的质量管理,是对生产过程的节点进行质量监管。比如生产工艺发生改变、班次更换等情况,都需要对生产出来的产品进行质检。质量管理可以有效的减少“异常”产品的产出(给公司省钱了),使得生产线有序、“健康”的产出符合公司要求(或行业要求)的产品。在日常工作中,质检员需要对某个物料质检前,需要为此制定检验方案。检验方案通常由质检类型、抽检对象、一个或多个抽检项等构成。其中质检项尤为重要,质检项的设置是基于物料本身结构、物理性质、化学性质等方面:
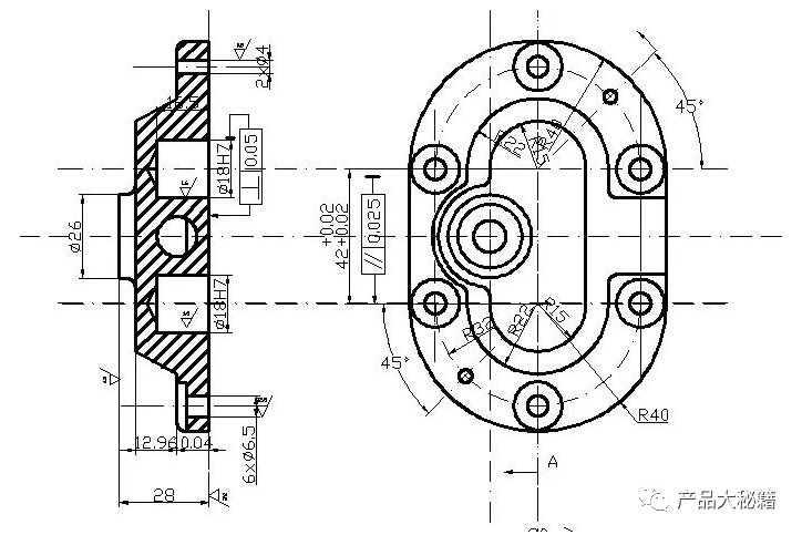
c. 特性检验:如化学特性、物理特性、温度特性等等(使用专业检测仪器或设备)机械设计制造或车辆工程专业的同学,看到上方的机械加工图应该不陌生吧,不知道你们实训课的时候,有没有去做过榔头。话说回来,当我们按照上方加工图完成零件后,那么通过什么方式知道做的零件是否合格?通常我们通过游标卡尺测试零件高度或宽度是否符合加工图的标准,用塞规测量中孔径、孔距是否符合标准。其中高度28mm±5mm、宽度18mm±5mm为合格标准范围,这就是两个检验项。需要质检的场景:原料入库前、生产过程中、成品入库、销售出库。3. 质检分类
3.1 IQC:来料质检
当物料被送达仓库后,需要IQC对物料进行质检,根据检验标准判定是否合格。3.2 IPQC:过程质检
过程质检指的是产品从物料投入生产到产品最终包装过程的质量检测,主要为了防止出现大批不合格品, 避免不合格品流入下道工序去继续进行加工。3.2.1 首检
首检是一项尽早发现问题、 防止产品成批报废的有效措施。通过首检可以发现诸如工夹具严重磨损或安装定位错误、测量仪器精度变差、 看错图纸、投料或配方错误等原因,从而采取纠正或改进措施, 以防止不合格品发生 。(2) 班次开始首次报工:白班和夜班,每个班次的首次报工;(3) 人员变动首次报工:同道工序操作工人变化,首次报工;3.2.2 巡检
巡检是检验工人按一定的时间间隔和路线,依次到工作地或生产现场, 用抽查的形式,检查刚加工出来的产品是否符合图纸、工艺或检验指导书中所规定的要求。在大批大量生产时,巡检可与工序相结合。3.2.3 末检
3.3 FQC:入库检(终检)
最后一道工序完成后,在成品入库需要经过FQC检测:3.4 OQC:出库检
扩展:3.5 AQL检验
支持国标规定的26种AQL值:0.010~1000支持国标规定的7种抽样水平:特殊检验水平S-1、特殊检验水平S-2、特殊检验水平S-3、特殊检验水平S-4、一般检验水平Ⅰ级、一般检验水平Ⅱ级、一般检验水平Ⅲ级。仓库接收来料放置待检区,可以对物料送检或现场质检,出现不合格品可以采用特采、退货、全检处理方式;生产过程质检也可以现场质检或送检,会出现以下情况:(2) 若质检员不能不合格品作出判断,那么需要上级来介入处理;不合格品处理方式通常有让步接收、报废、返工、返修、全检;当然质量模块不能独立存在的,需要系统中的物料管理、工序管理相关联,需要接入物流业务、生产业务,各个子模块间相辅相成。【2023产品经理成长日历】整合了30+位老师的原创内容和遴选自价值12000+元书籍等。每天一个干货内容,包括产品规划、需求分析、产品运营、数据分析、工作技巧、每月话题讨论等干货。
![]()