Share 共享才能双赢,欢迎分享
各位江湖朋友,小编复盘发现之前对比文章有不严谨的地方,现重新校对了2014版标准与22版的区别,并重新整理发布,若有不妥之处还请各位侠士指正。
GB30871-2022预览版标准获取方式见文末
新旧标准对比
对比信息来源:GB 30871-2014正式版
全面、准确的新《危险化学品企业特殊作业安全规范》标准及对应解读,请以正式版本和官方解读为准。
GB30871-2022
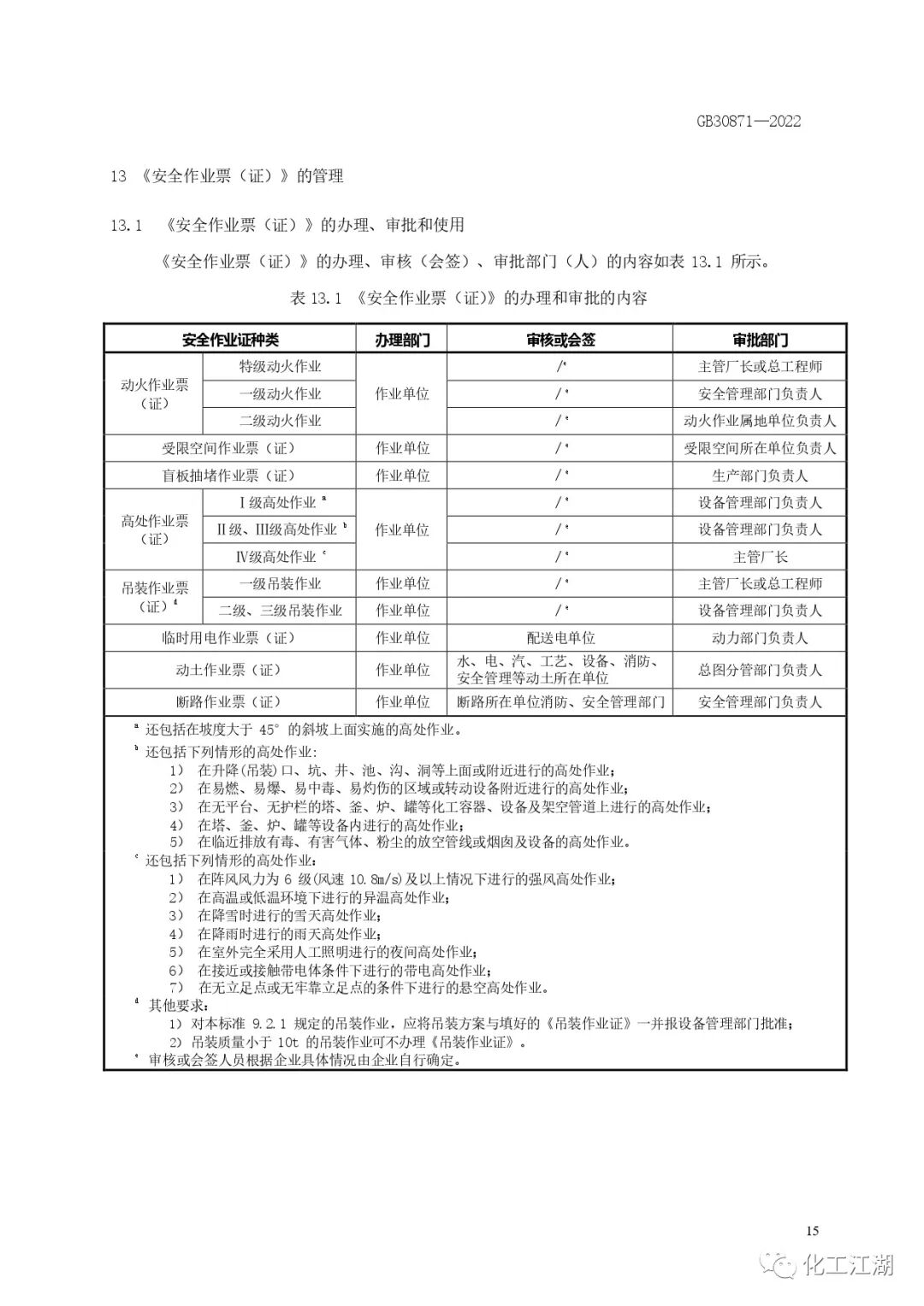
13《安全作业票(证)》的管理
专家谈!
修订后的标准技术要求由原来的部分条款强制调整为全文条款强制,适用范围调整为生产、经营(带储存)危险化学品的企业和化工及医药企业,明确了上述企业在其生产区域内进行特殊作业应执行标准的相关要求。
葛安卡博士介绍说,本次修订历时数年,专家团队反复研究、讨论,着重总结了近十年来国内外发生的特殊作业相关事故教训以及行业优秀实践,参考了大量国内外最新文献和标准。本文列举了新标准修订过程中的部分讨论和主要变化,供大家参考和预读:
——聚焦动火、受限空间等事故多发作业类型,明确了企业应建立作业前许可管理制度,制定重大风险管控措施,强化逐级审批和作业监护的要求。
——进一步强化作业过程的安全管理、审批人和监护人职责及应急措施的落实。
——动火作业方面,扩大了特级动火划分范围,将在运行状态下的火灾爆炸危险场所生产装置设备、管道、 储罐、容器等部位上进行的动火作业(包括带压不置换动火作业)和运行中的重大危险源罐区防火堤内动火作业,划为特级动火。
强化动火作业风险管控措施,例如对采用水封和关闭单一阀门方式进行系统隔离明确提出了禁止要求;油气罐区同一防火堤内,动火作业不得与切水作业同时进行;使用电焊机作业时,电焊机与动火点的间距进行了规定;在设备及管道外部动火,应在动火点10米范围内进行气体分析;在设备及管道外壁动火,还应对设备及管道内部的气体进行分析;提出了特级动火需采集视频图像等
——进入受限空间作业方面,强化风险管控,例如介质隔离时,不得用阀门代替盲板。进一步强调了进入受限空间内作业前必须分析的气体类别及浓度要求,确定最低氧含量由原来的18%提高到19.5%;进入受限空间作业需连续检测气体浓度等具体要求。
——进一步明确了作业监护人的要求。例如,作业期间,企业和作业单位均应设监护人,监护人应由具有生产/作业实践经验的人员担任,监护人经专项培训考试合格;作业期间,监护人不得擅自离开且不得从事与监护无关的事;确需离开作业现场时,应收回作业票(证),暂停作业;受限空间作业监护人的要求监护人员须在受限空间外进行监护,严禁在无任何防护措施的情况下探入受限空间监护人应对进入受限空间的人员及其携带的工器具种类、数量进行登记等要求。
——固定动火区管理方面,增加了对规定动火区风险识别的要求,可燃有毒气体报警仪的要求等。
——临时用电作业方面,在临时用电票证中补充了可燃气体分析的内容,将临时用电作为动火作业的一种。
——盲板抽堵作业方面,同一盲板的抽、堵作业,应分别办理盲板抽、堵作业票(证)。一张作业票只能进行一块盲板的一个作业。
——增加了在可燃、易爆粉尘环境下进行特殊作业的安全要求。
——修改了作业票证的样式,增加了完工确认的内容明确了动火作业票证中各项工作的时间要求。吊装作业方面,调整了吊装作业的办票等管理要求。
新标准的颁布实施,将进一步推动危险化学品领域更好地贯彻落实《关于全面加强危险化学品安全生产工作的意见》和《危险化学品安全专项整治三年行动实施方案》,促进企业管控好特殊作业环节存在的重大风险,有效防范和遏制重特大生产安全事故的发生。
专家谈内容来源:作本化工
获取2022预览新规
请加微信
化工江湖整理编辑
●新规提前预览!《化学品生产单位特殊作业安全规范GB 30871》即将发布!
●【新标分享】可下载!AQ∕T 3033-2022《化工建设项目安全设计管理导则》,6月12日实施!
●快来看~应急部危化监管一司回复了你的问题!共性或典型问题公开答复
TUV/危险与可操作分析(HAZOP Leader) 主席公开课
PID参数整定实战与控制器优化培训班
仪表及电气系统工程设计与实施方案