Weixin ID gh_11713b3d8d98
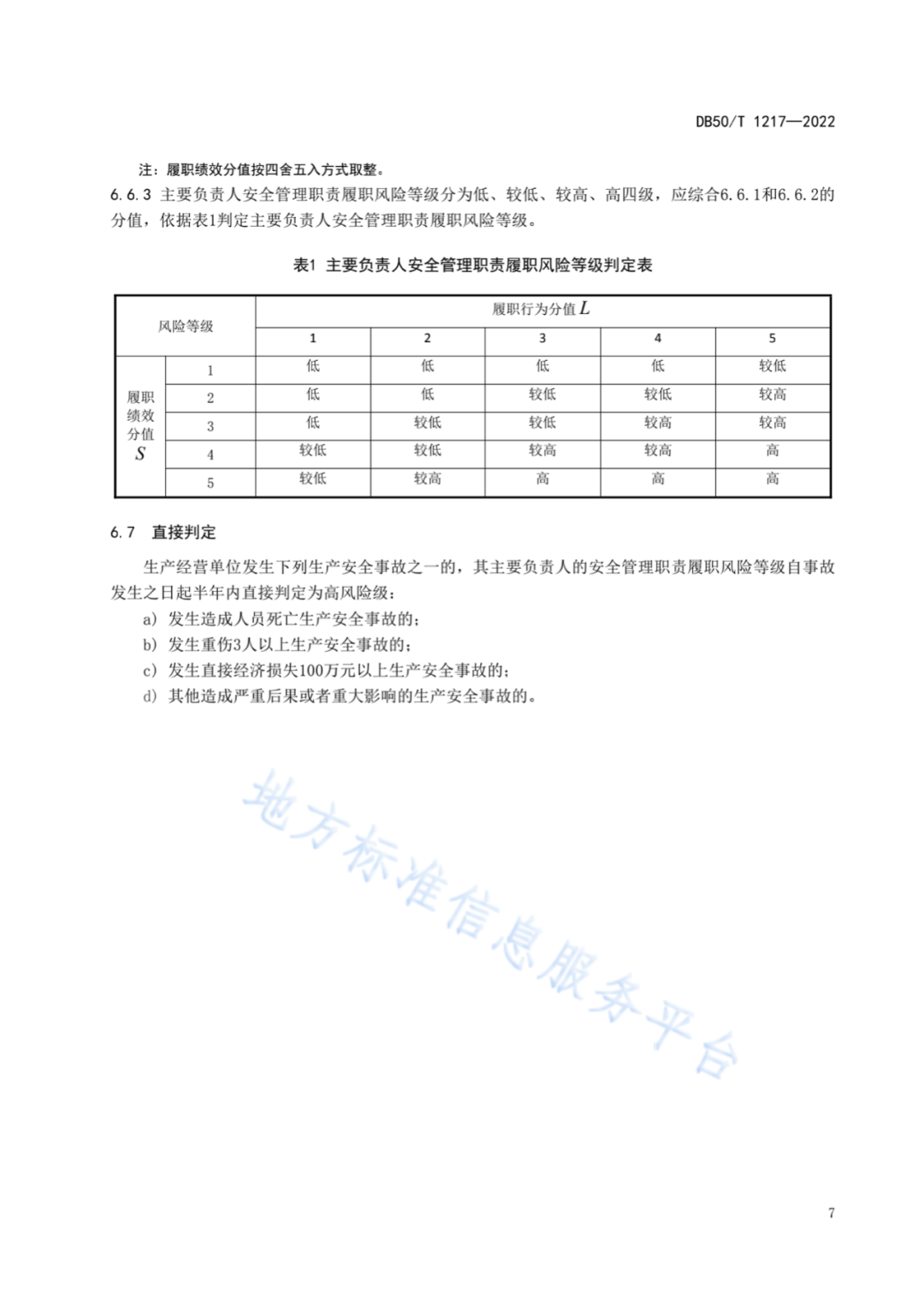
About Feature 这里,是属于我们化工人的江湖,技术交流平台。每日更新行业动态,知识分享,持续提供化工行业各类专业培训信息。
获取方式:扫码下方二维码添加微信领取
请添加微信~
最新!应急管理部关于 危险化学品生产储存装置、新建危险化学品建设项目安全现状评价等问题回复
突发爆炸,1死9伤!韩一炼油厂设备维修过程发生大爆炸!化工设备检修火灾爆炸事故原因分析
官方通报!岳阳一化工厂气体逸散,相关人员被控制
点赞 分享 在看啦~ 小编这厢有礼了
Scan to Follow